पानी
तानि तान्नुहोस्
  • तानि तान्नुहोस्तानि तान्नुहोस्
  • तानि तान्नुहोस्तानि तान्नुहोस्
  • तानि तान्नुहोस्तानि तान्नुहोस्

तानि तान्नुहोस्

Yiti लक औद्योगिक मन्त्रिप्टेड अनुप्रयोगहरु को लागी एक विश्वसनीय ताल Rood छ। यो वितरण बक्सहरू र स्विचरल जस्ता क्याबिनेट तालिकामा प्रयोग गर्न सकिन्छ। लक गर्ने संयन्त्रको जडानको जडान संयन्त्रको जडान दुबै माथिल्लो र तल्लो ढोकाको समक्रमण गरीरहेको छ, जसले सुरक्षा सुरक्षा र एन्टि-चोरी प्रदर्शन बृद्धि गर्दै।

एक पेशेवर पुल रड निर्माता, यीई लक औसत मन्त्रिपरिषद् संयन्त्रका लागि मन्त्रिपरिषद् र भरपर्दो अभिनय गर्ने कामहरू उत्पादन गर्दछ। यो पुल डट बिभिन्न क्याबिनेट आयामहरू फिट गर्न सकिन्छ (सानो आकारको लागि फिट गर्न सक्दछौं (सानो आकार बाहेक, जसले श्रम शुल्कहरू समावेश गर्दछ; अन्यथा लागत बिना नै अनुक्रमणिका शुल्कहरूको आधारमा गणना गरिन्छ। यो सबै मन्त्रिपरिषक प्रकारका साथ उपयुक्त छ।

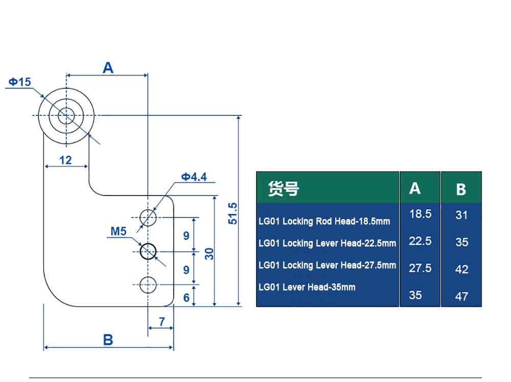
उत्पादन मोडेल LG श्रृंखला लक गर्ने लीभर
सामग्री फलाम
रंग जडवान फलाम
उत्पादन सुविधाहरू लचिलो घुमाउन्ड / मोक्केड प्यानल / एन्टि-बिक्रियन र टिकाऊ
निवेदन दायरा वितरण बक्स / क्याबिनेट / क्याबिनेट / क्याबिनेट / सबै प्रकारका औद्योगिक बक्सहरू

सुरक्षा

यो पुल रड फलामको बनेको छ, राम्रो मेकानिकल शक्ति र टिकाउठ प्रदान गर्दछ। जब मन्त्रिपरिषद्को बीचमा लक स्थापना हुन्छ, ताल रडले मन्त्रिपरिषद्को शीर्ष र तल अन्त्य दुबैमा सुरक्षा बढाउँदछ, अधिक विश्वसनीयता प्रदान गर्दछ। यो उच्च सुरक्षा आवश्यकताहरूको साथ परिदृश्यको लागि उपयुक्त छ र दुर्घटनात्मक अपरेसनले गर्दा हुने उपकरण जोखिमहरूलाई रोक्दछ।


चुन्ने काम

छनौट गर्दा, रेजिपोड हाउस र लक गर्ने बिन्दु स्थितिहरू मन्त्रिपरिषद्सँग मिलाउन मन्त्रिपरिषक र लक गर्ने बिन्दु स्थितिहरू मापन गर्नुहोस्। अपेक्षित अपरेटिंग फ्रिक्वेन्सीमा आधारित उपयुक्त व्यास विशिष्टता छनौट गर्नुहोस्।


स्थापना र रखरखाव

पुल रड स्थापना गर्दा, पहिले गाईड अवयवहरू सुरक्षित गर्नुहोस् र तिनीहरूलाई लकने प्लेटमा जडान गर्नुहोस्। यो नियमित रूपमा कुनै ढीला स्क्रूलाई कडा गर्न सिफारिस गरिन्छ र पुल रडको चलिरहेको भागहरूलाई सफा राख्नुहोस्। नियमित रूपमा योग्य मात्रा लागू गर्नुहोस्।

Pull RodPull RodPull RodPull RodPull RodPull RodPull RodPull RodPull RodPull RodPull RodPull RodPull RodPull RodPull RodPull RodPull RodPull RodPull RodPull Rod


सूत्र

प्रश्न: यस लक बार को लागी अनुकूल लम्बाई विकल्प के हो?

A: हामी तपाईंको विशिष्ट आवश्यकताहरूमा आधारित लम्बाईहरू अनुकूलित गर्न सक्छौं, सामान्यतया to00 देखि 2000 मिलबाट बज्यो।


Q: यो गैर-मापदण्ड मन्त्रिपरिषद्को निकायहरूको लागि प्रयोग गर्न सकिन्छ?

A: हो, हामी गैर-मानक अनुकूलनलाई समर्थन गर्दछौं। केवल ठ्याक्कै आयाम प्रदान गर्दछ।


Q: स्थापनालाई विशेष उपकरणहरू आवश्यक छ?

A: स्वत: उपकरण स्थापनाको लागि पर्याप्त छ।


Q: धेरै पटक पुन: स्थापना गर्न सकिन्छ?

A: मजबूत डिजाइनले दोहोर्याइएको विनाशकारी र पुनसमल समर्थन गर्दछ।


Q: यो शिपिंगको बेलामा विकृति हुनेछ?

A: सुरक्षित प्याकेजिंगले सामान्य यातायातको क्रममा विघटन रोक्दछ। हामी कुनै न कुनै ह्यान्डलिंगको कारण क्षतिको लागि क्षतिपूर्ति वा पुनःसुरु गर्नेछौं।



हट ट्यागहरू: तानि तान्नुहोस्
सम्बन्धित श्रेणी
सोधपुछ पठाउनुहोस्
सम्पर्क जानकारी
  • ठेगाना

    नम्बर 16, Jingyun रोड, Jingshan औद्योगिक पार्क, Huanghua, Yueqing शहर, Zhejiang प्रान्त, चीन

  • टेलिफोन

    +86-17328813970

  • इ-मेल

    [email protected]

हार्डवेयर लक, हार्डवेयर ह्यान्ड, हार्डवेयर ह्यान्डल वा मूल्य सूचीको बारेमा सोधपुछको लागि सोधपुछको लागि, कृपया तपाईंको ईमेल हामीलाई छोप्नुहोस् र हामी 2 24 घण्टा भित्रमा छुनेछौं।
X
हामी तपाईंलाई राम्रो ब्राउजिङ अनुभव प्रदान गर्न, साइट ट्राफिक विश्लेषण र सामग्री निजीकृत गर्न कुकीहरू प्रयोग गर्छौं। यो साइट प्रयोग गरेर, तपाईं कुकीहरूको हाम्रो प्रयोगमा सहमत हुनुहुन्छ। गोपनीयता नीति
अस्वीकार गर्नुहोस् स्वीकार गर्नुहोस्